SG2520EGN 2520低抖動差分晶振-5G通信用參考時鐘晶振推薦
愛普生2020年低投入批量生產的SG2520EGN是一款2520封裝25ppm高精度,105℃高溫,≤50fs的超低抖動高頻差分有源晶振,是一款HFF基頻晶振,特別適用于5G通信用參考時鐘、支持400G光模塊通信。。標準頻率有15.6.25MHz,212.5MHz、500MHZ等。作為一款雙輸出差分晶振,共有6個引腳,第四和第五位輸出腳。本頁面下方提供選型資料下載連接。如需咨詢價格歡迎咨詢南山電子官方網站(www.fulllife.com.cn)在線客服。
主要特點:
- 頻率范圍:25 MHz至500 MHz
- 電源電壓:2.5 V(典型值)。/ 3.3 V(典型值)
- 頻率公差:±25ppm,±30ppm,±50ppm
- 工作溫度:-40°C至+85°C;-40°C至+105°C
- 功能:輸出使能(OE)或待機(ST)
- 輸出:LV-PECL
- 低相位抖動:≤50fs@(fo> 391 MHz)
- 外形尺寸:2.5×2.0×0.74mm
SG2520EGN晶振標準型號含義:

SG2520 EGN 156.250000MHz C D H P Z A
以上面的型號為例說明EPSON這款差分晶振的標準型號名目方法:
1、SG2520:外部尺寸2.5*2.0mm的有源晶振
2、EGN:輸出LV-PECL
3、156.250000MHz:標稱頻率156.25MHz。小數點預留六位。
4、電源電壓C表示3.3V。另外D表示2.5V,E表示1.8V;
5、總頻差:D表示25ppm;E表示30ppm;J表示50ppm
6、工作溫度范圍:H表示-40~+105℃(寬溫);G表示-40~+85℃(工業級)
7、晶振本體第 一引腳功能:P表示OE使能;S表示ST懸空。
8、輸出阻抗類型:Z表示高阻抗
9、輸出選項:A表示default 。該系列末位只有A,不會出現其他字母。
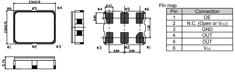
外部尺寸與引腳說明:

EPSON電子元器件官方網站推薦的標準型號和產品編碼
| 物料編碼/產品編碼 | 標準型號 |
|---|---|
| X1G0058810001 | SG2520EGN156.250000MHz CJGPZA |
| X1G0058810002 | SG2520EGN156.250000MHz CDGPZA |
| X1G0058810003 | SG2520EGN156.250000MHz DJGPZA |
-
2025-11-11愛普生TG-5006CE高精度溫補晶振在窄帶無線通信中的應
-
2025-10-29EPSON RX-4035LC實時時鐘模塊實現精準計時與持久續航
-
2025-10-14愛普生SG2520EHN差分晶振:為5G與400G通信量身打造的高
-
2025-09-28EPSON RX-4571LC實時時鐘模塊,滿足緊湊型設備的精準計
-
2025-09-22愛普生數字輸出型陀螺儀XV7081BB,±400°/s量程,用于自
-
2025-09-17愛普生HCSL輸出晶體振蕩器SG3225HBN,頻率范圍100MHz~32


466009906